Zurück zur Startseite
Doppel-L-Paß-Rechner
RG RL Frequenz DG0SA
Ω Ω MHz C in pF und L in µH
Alle Eingaben mit Punkt, kein Komma!
RG größer RL!
Hochpaß-Tiefpaß nix
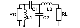
L1 L2 C1 C2
Tiefpaß-Hochpaß nix
L3 L4 C3 C4
</TD>
Mit nur vier Bauelementen betreibt der Doppel-L-Paß die Anpassung des Generatorwiderstandes RG auf den Lastwiderstand RL.
Je größer der Quotient RG/RL, um so schmalbandiger wird symmetrische Übertragungskurve.
Die Dämpfung ist in gleichem Abstand (a) von der Mittenfrequenz f identisch. Gleicher Abstand (a) ist, wenn die Bedingung f/a = f*a erfüllt ist.
Beispiel
Gegenüber Anpassung mit SGS ist diese Anpassung mit Doppel-L-Paß viel breitbandiger.
Das Beispiel zeigt eine Anpassung RG = 50; RL = 5; F = 145, der dargestellte Bereich ist 72 MHz bis 290 MHz.