Zurück zur Startseite
Aufwändige siebenpolige Filter in Chebyshev-Struktur. Es handelt sich um die Reihenschaltung zweier vierpoliger Filter. Die Bauelemente haben eine hohe Güte. Bei den Spulen erreicht man Werte von Q = 220 bis 260 mit Pulvereisenkernen von micrometals (Vertrieb durch AMIDON). Die Kondensatoren haben mindestens Q = 2000, verwendet werden Vishay cera mite NP0 mit 1kV (DC) für Filter 100 Watt. Bei den "dicken" Filtern für 1200 Watt kommen "doorknob" Leistungskondensatoren, sehr große und kostenintensive T184-17 Ringkerne und Luftspulen zum Einsatz. Mit diesen Filtern ist auch eine Trennung im 15m, 12m und 10m-Band mit guten Dämpfungswerten erreichbar.
Die Filterkurve weist vier Pole auf, ist symmetrisch und fällt stetig und dann steil zu den ersten Polen ab. Danach steigt sie wieder an und fällt zum nächsten Pol ab um dann jedoch bis zu einem Wert anzusteigen, der das Filter wirksam bleiben lässt. Die Dämpfung im Band entspricht den klassischen dreipoligen Filtern. Durch die vier Pole wird das Filter steilflankiger, aber auch insgesamt besser, so dass alle, einschliesslich die WARC-Bänder, sehr gut gedämpft werden. Man kann die Pole mehr oder weniger geschickt setzen, wie die beiden Kurven zeigen.
100 Watt Filter, 7-polig 100 Watt Filter, 7-polig 100 Watt Filter, 7-polig
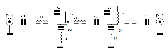
Hier die Schaltung.
Name: DG0SA-Variante 5. Sie ist für den erfahrenen Filterbauer einfach abzugleichen, denn die Serienkreise L1/C1 und L3/C3 haben Resonanz auf der Band-Mittenfrequenz wie auch der Parallelkreis L2/C2. Zusätzlich sind zwei Sperrkreise L4/C4 eingefügt, die die vier Pole im Zusammenwirken mit L2/C2 bilden. Ein Anfänger sollte aber die Finger davon lassen.
100 Watt Filter, 7-polig