Zurück zur Startseite
Neuere fünfpolige Filter in Chebyshev-Struktur, die mit zusätzlichem Sperrkreis arbeiten. Die Bauelemente haben eine hohe Güte. Bei den Spulen erreicht man Werte von Q = 220 bis 260 mit Pulvereisenkernen von micrometals (Vertrieb durch AMIDON). Die Kondensatoren haben mindestens Q = 2000, verwendet werden Vishay cera mite NP0 mit 1kV (DC) für Filter 200 W. Für die "dicken" 1200 Watt-Filter 160m-40m werden "doorknob" Leistungskondensatoren und kostenintensive T184-17 Ringkerne verwendet. Anders als W3NQN verwende ich die Reihenfolge Serienkreis-Parallelkreis-Serienkreis. Weiterhin bilde ich die Pole auf eine andere Weise als W3NQN.
Die Filterkurve weist zwei Pole auf, ist symmetrisch und fällt stetig und dann steil zu den Polen ab. Danach steigt sie wieder an, jedoch nur bis zu einem Wert, der das Filter wirksam bleiben lässt. Die Dämpfung im Band entspricht den klassischen dreipoligen Filtern. Durch die Pole wird das Filter schmalbandiger, so dass die WARC-Bänder besser gedämpft werden.
100 Watt Filter, 4-polig
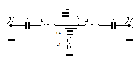
Hier die Schaltung.
Name: 4 Kreis 4 poliges Filter. Sie ist einfach abzugleichen, denn die Serienkreise L1/C1 und L3/C3 haben Resonanz auf der Band-Mittenfrequenz wie auch der Parallelkreis L2/C2. Zusätzlich ist ein Sperrkreis L4/C4 eingefügt, der die beiden Pole im Zusammenwirken mit L2/C2 bildet. Das Bild zeigt das 1200 Watt Filter.
4-Kreis Filter, 4-polig 1200 Watt Filter, 4-polig
Anders ist es bei dieser Schaltung.
Name: 5 Kreis 4 poliges Filter. Hier haben die drei Serienkreise etwas unterschiedliche Resonanzen, während der Kondensator C2 und die Spule L2 zur Masse auf die Band-Mittenfrequenz abzugleichen sind. Der zusätzliche Sperrkreis L5/C5 bildet die Pole.Das Bild zeigt das 200 Watt Filter.
100 Watt Filter, 4-polig 100 Watt Filter, 4-polig